Contador de 0 a 9, ascendente y descendente.
Montado y Funcionando.
Aquí les dejo un proyecto de electrónica digital que me encargaron en la uni.
Se basa en un contador tanto ascendente como descendente que al llegar a 9 se detiene el conteo ascendente y viceversa al llegar a 0. Puede ser aplicado como un sistema de entrada de personas a un local o de carros a un estacionamiento o cualquier aplicación parecida.
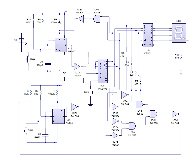
Se tienen dos sensores de pulsos
monoestables implementados con pulsadores NA (normalmente abierto) y LM555
que generan un pulso con un ancho (tiempo en que la señal está en nivel alto de
voltaje) de aproximadamente 26 segundos, dato que se calculó con
, ahora con
, se obtiene un “tao” de 0.038.
Cada que se pulsa un switch NA,
se genera un pulso en la salida correspondiente y pasa primero por una
compuerta Not (7404) que invierte
dicho pulso con la finalidad de que en las patillas (5 y 4) “count up” o “count
down” respectivamente (depende de cual pulsador se accione), ocurra un cambio
de voltaje de alto a bajo, mientras que la otra patilla se encuentra a un nivel
alto, esto se hace de esta manera porque así indica el fabricante que es el
funcionamiento correcto del 74192.
Este integrado decodifica la señal y la envía por medio de las salidas Qa, Qb,
Qc, Qd (3, 2, 6, 7) en binario (0 y 1 lógicos) al 7447 que toma dichas
salidas por medio de sus entradas A, B, C, D, (7, 1, 2, 6) y se encarga de
convertirlas en un código apropiado para excitar a través de las patillas de la
9 a la 15 a un display de 7 segmentos de ánodo común. Cabe destacar que
el resto de las patillas de ambos dispositivos (74192-7447) fueron puestas a “tierra”
a excepción de la número 16 que va puesta a Vcc (5 voltios).
Del código binario que genera el
74192 se toman las salidas Qa y Qd (3 y 7) ya que generan el 1 lógico del
número binario “1001” que corresponde al 9 en decimal, éstas señales se
insertan en una compuerta AND 7408, ésta compuerta multiplicará ambos
dígitos dando como resultado un 1 lógico a la salida, el cual se invertirá
usando una compuerta NOT lo que
generará un “0” y se conectará al reset (patilla 4) del LM555 lo que impedirá que el generador del pulsos cumpla con el
funcionamiento descrito, evitando de ésta manera que el contador pase de 9 a 0.
Cualquier otro número en las salidas Qa y Qd provocarán un 1 en el reset,
encendiendo un led verde que
indica un número menor que 9 y por lo tanto pueden seguir entrando usuarios al local.
Por otro lado, para detener el
conteo regresivo en “0” hay que tomar las cuatro salidas del 74192 (Qa, Qb, Qc, Qd), ya que solo así los cuatro dígitos
binarios son “0” los cuales se invierten usando una NOT para obtener cuatro 1
lógicos que al ser multiplicados por una AND
se convertirán en un 1 lógico el cual se hace pasar de nuevo por una NOT obteniendo de ésta manera el 0 necesario para
detener o desactivar el reset del LM555.
Espero les sirva. Comenten!!!

Puedes subir un video d como lo armaste
ResponderEliminarporfavor
ResponderEliminarEl diagram del ckt tiene errores comenzando con que no lo has hecho bien
ResponderEliminarPorfavor hazlño otra vez